旧大日機械工業
ENGINEERING「2025年12月1日、旧大日機械工業株式会社は日中コンサルタント株式会社に事業譲渡いたしました。
これからは日中コンサルタント株式会社が旧大日機械工業の業務を引き継いで行ってまいります。」
水素エネルギー社会の実現へ
大日機械工業は水素エネルギーのエンジニアリング事業を中心にその他CAE解析ソリューションや多様なシステム・機器の開発、設計、製造を提供しております。
大日機械工業は早くから日本の新エネルギー社会の実現に向けて取り組んできました。
その歴史は80年代にさかのぼります。
1983年にバイオガスを原料にした水素製造装置の開発をはじめ天然ガスを原料とする水素製造装置を開発してきました。
また、2013年度には太陽光や原子力の熱を利用して水から水素を直接作る連続水素製造試験装置を国立研究開発法人 日本原子力研究開発機構に納入しました。
化石燃料だけではなく、様々なエネルギーを水素にすることにより安定したエネルギー供給と地球温暖化の防止に技術力で貢献したいと考えています。
主な業務内容は以下の通り「エンジニアリング関連」「製造・試験検査関連」です。
事業内容
| 機械・プラント設計製造 | ご要望のハードルが高く未知な世界ほど、独自性を生かした技術開発に挑む喜びを感じ、幅広い世界に挑戦して培ってきた最高の技術を集積しフレキシブルに対応します。 |
|---|---|
| 水素エネルギーエンジニアリング | 来る水素社会に向け弊社は、水素製造改質器、燃料電池用小型バーナー、反応試験装置等の水素製造関連設備の開発・販売を行っております。 |
| CAE解析ソリューション | 長年にわたり原子力分野において培ってきた技術をベースに、CAE(コンピュータによる設計・製造支援)による受託解析やコンサルティングサービスを提供しております。 |
実績・事例
| アンモニア合成プラント製造 | 低温・低圧でのアンモニアを合成する触媒の開発 |
|---|---|
| 機械・化学プラント設計製造 | 連続水素製造試験装置 |
| 水素エネルギーエンジニアリング | 複合型改質器を搭載した水素製造装置 |
| CAE解析ソリューション | 温度分布、応力分布、流体解析、構造解析など |
弊社の設計の大きな特徴として、極めて高度な部分での設計の標準化を社内で実現しており、短納期での試作を可能にしております。
高度なご要望の設計に関しても、お客様のご要望のヒアリング、設計条件の確定および各種VA/VE提案など、上流部分のコンサルティング・企画に関しても数多くのご評価をいただいております。
ご相談は無料ですので、ぜひお気軽にお問い合わせください。
機械・プラント設計製造
開発・設計
ご要望のハードルが高く未知な世界ほど、独自性を生かした技術開発に挑む喜びを感じ、幅広い分野に挑戦して培ってきた最高の技術を集積しフレキシブルに対応します。
自動機械・精密機械設計
原子力関連機器の開発・設計を手がけてきた当社だからこそ、その技術に一切の妥協を致しません。
経験豊富な技術者が柔軟な思考で用途や機能に応じた製品を開発設計致します。
その分野はいまや原子力関連機器に留まらず多岐に渡っております。
プロセス設計
一般産業における機器、装置、ロボット、自動・遠隔制御機器、化学プラントプロセス設計、装置設計、航空機産業での高速自動検査装置の設計、更には高い信頼性用を必要とする原子力産業で、原子炉内部あるいは周辺部のメンテナンス機器・装置、特殊環境操作機器・装置など、分野を問わずにその成果は高く評価されております。
製造・開発製品
大日機械工業は大規模な製造工場をあえて持ちません。
それはファブレスのメリットを最大限、お客様に還元したいと考えているからです。
設計の仕様、開発の種類は多岐に渡っております。
それらを自社単―工場で仕上げることは事実上不可能であり、内製化を目指すことによるデメリットが 大きいと私たちは考えました。
設計者自身が豊富な経験をもとに製品のレべル内容に合わせて、連携する外部工場設備、技術、人、品質管理を選択、
コントロ―ルすることにより最適な技術、設備、品質管理で、迅速且つ口―コストで製品を作りだすことがお客様の満足をいただけるものと考えました。
大日機械エ業は長年にわたり、独自に築きあげた協カ会社とのネットワークを駆使し、お客様の多様な二―ズにお応え致します。
発想を具体化するテクノロジー、連携する最適技術、設備、品質でベストの製品を提供し、さらに高度な革新を続けて参ります。
プロセス開発試験装置
ロボティックマシーン
水素エネルギーエンジニアリング
水素は主に産業ガスやロケット燃料に使用されてきましたが、燃料電池の開発普及に伴い燃料電池自動車(FCV)や家庭用定置型燃料電池システム(エネファーム)の燃料として注目を浴びています。
当社では1980年ごろから独自の燃焼技術、熱利用技術、反応制御技術を利用した燃料電池・水素関連製品の開発を行ってきました。
1983年には70kw級のリン酸型燃料電池用の水素製造装置、定置型燃料電池システム(エネファーム)用の小型バーナの開発を行い、2013年度には、初の大型プラントであるISプロセス・連続水素製造試験設備を完成致しました。
これらの技術・実績をベースに、現在は燃料電池自動車(FCV)の普及に欠かせない、水素ステーション用の水素製造装置の開発・実証に取り組んでおります。
水素エネルギーの利用
私たちが使用しているエネルギーのほとんどは、自然界に存在する原油、ガスや石炭等の一次エネルギーを使用しやすく加工したガソリン、都市ガスや電気等の二次エネルギーです。
最も利便性の高い二次エネルギーは電気ですが、電気には貯蔵がし難いという大きな欠点があります。
また、ガソリンや天然ガスは地球温暖化の原因になるCO2 の放出や化石燃料の枯渇などの問題があります。
天然ガスをエネルギー源として発電した電気を燃料源とする電気自動車(EV)と、天然ガスを改質して得た水素を燃料源とする燃料電池車(FCV)を比べると、燃料電池車(FCV)が電気自動車(EV)の約1.3倍のエネルギー効率が期待されます。
燃料電池技術の発展に伴い、水素エネルギーは化石燃料由来の二次エネルギーに代わるエネルギーとして注目を浴びています。
水素は地球上で3番目に多い元素ですが、水素分子の状態ではわずかに存在する程度で直接自然界で産出する場所はありません。
そのため、水素は石炭や天然ガスの水蒸気改質で製造して、
工業材料やロケット燃料として使用されてきましたが、種々のエネルギーから製造できる二次エネルギーとしての水素が注目されています。
水素エネルギーの製造
水素は化石燃料の改質や工業プロセスの副産物のほか、バイオガスや太陽光や風力で造る電気の余剰分からも水の電気分解により水素を造ることができます。
また、太陽熱や原子力の熱を利用した熱化学反応から水を直接分解して大量に水素を造る技術も開発されています。
このようにいろいろなエネルギーを水素に変換できることから、全エネルギーの使用効率を上げることが出来ます。
また、将来的には化石燃料の改質にCO2 回収プロセスを付加することにより、自然環境への負荷の少ないエネルギーとすることが出来ることも注目される理由です。
燃料電池車に水素を提供するための水素ステーションには「オンサイトステーション」と「オフサイトステーション」の2種類があります。
オンサイトステーションは、既存の都市ガスパイプラインを利用して水素ステーション内で水素の製造を行うシステムです。
高圧水素の輸送に必要な特殊タンクローリ車を使用しないため、現状の技術で対応することが可能です。
一方、オフサイトステーションは、様々なエネルギーを利用して大型の水素製造装置で水素を製造し高圧の水素を特殊タンクローリ車で水素ステーションまで運ぶシステムです。
水素ステーションが設置される環境やスペース等の状況により、それぞれのシステムの特徴を生かしたシステムが採用されます。
水素エネルギーの課題
将来のエネルギーシステムを支える技術として期待されている水素エネルギー技術は、燃料電池技術を筆頭に輝かしい発展を見せていますが、水素エネルギーのさらなる普及と水素社会実現に向けては、解決すべき課題が多く残されています。
- 1.水素の低コスト化
- 水素をエネルギーとして利用するためには、格段の低コスト化が必要です。
現在経済産業省資源エネルギー庁の「水素・燃料電池戦略ロードマップ」1Nm3当たりのコストを30円にすることを中・長期目標とする考え方が示されていますが、発電用燃料など、社会の基幹エネルギー分野で利用するためには、さらなるコストダウンが必要不可欠と考えられています。
当社は、既に天然ガス等化石燃料改質による水素製造装置の設備費を大幅に低コスト化することにより、水素のコストダウンに成功しております。
水素のコストダウンの決め手の一つである水素製造装置の低コスト化を通して、水素の低コスト化の課題に貢献して行きたいと願っております。
- 2.水素ステーションの低コスト化と普及
- 国の水素・燃料電池戦略ロードマップによれば、燃料電池自動車(FCV)の導入目標は、2020年までに4万台程度、2025年までに20万台程度、2030年までに30万台程度とされています。
それをサポートする水素ステーションの設置基数は、2020年度までに160箇所とされており、2020年代後半までに水素ステーション事業の自立化を目指すとされています。
この目標を達成するためには、ステーション建設コストのさらなる低減が必要と考えます。
当社は、都市ガス改質型オンサイト水素ステーションの水素製造装置の低コスト化と、水素生成装置PSAの最適化を図ることで、水素ステーションのエネルギー効率の高効率化と建設コストの低減を同時に達成する技術の開発に成功しております。
今後、LPGを原料とするオンサイトステーションの低コスト化などにも当社の技術を展開して、石油系燃料改質型オンサイト水素ステーションの低コスト化に貢献して行きます。
- 3.新しい水素利用技術の開発
- 水素の利用分野として期待されているものに、水素燃料発電技術があります。
水素燃料発電技術には、主に産業用コジェネレ-ション設備として開発が進んでいる、天然ガス・水素混合ガスを燃料とする空気燃焼タービン発電技術から、電力事業用水素・酸素燃焼タービン技術まで幅広い仕様があります。
当社は、水素燃焼に関する技術蓄積を基に発電技術の基本となる水素燃焼器の開発・設計・製作・評価などの面で、新しい水素発電技術の開発と実用化に貢献して参ります。
水素の新しい利用分野として現在世界的な注目を集めているパワー・ツー・ガス(Power-To-Gas:P2G)システムについても、水電解装置のシステム解析や、P2Gシステム全体のシステム設計及び効率解析などさまざまな側面からP2G技術の実用化に貢献したいと考えております。
- 4.水素供給チェーンの構築
- 水素社会の実現を目指して、FCVやエネファームの普及に向けた努力が続けられています。
これら燃料電池関連用途への水素供給に加えて、将来の水素燃料発電の実用化も視野に入れた場合には、燃料水素を低コストで、安定に、かつ大量に供給するための(CO2 フリー)水素供給チェーンの構築が重要な課題となります。
現在、オーストラリア褐炭を利用するCO2 フリー水素供給チェーンなどの実証研究が民間企業ベースで進められているほか、アルゼンチン・パタゴニアの風力資源を利用するCO2 フリー水素供給チェーン構想、あるいは、国内風力資源を利用するCO2 フリー水素供給チェーン構想等様々な努力が展開されております。
当社は、水素供給のインフラストラクチャー構築を目指すこのような研究開発努力を支援するために、保有する技術ポテンシャルを最大限に活用させていただきたいと願っております。
- 5.水素安全技術、規制見直し・規制緩和
- 水素を安心して使うためには、水素にかかわる安全技術の充実が必須です。
水素の安全を確保する技術(水素安全技術)の開発と相まって、水素を使いやすくするための規制見直しと、必要に応じた規制緩和が必要です。
当社は、東日本大震災による福島第一原子力発電所の事故解析などの経験から、法令等による規制のある施設・設備の設計・製作に必要な知見を保持しております。
水素にかかわる法規制を踏まえた設備等の設計・製作を積極的に提案させていただきます。
当社は、既に天然ガス等化石燃料改質による水素製造装置の設備費を大幅に低コスト化することにより、水素のコストダウンに成功しております。
水素のコストダウンの決め手の一つである水素製造装置の低コスト化を通して、水素の低コスト化の課題に貢献してゆきたいと願っております。
当社の水素エネルギーへの取り組み・事例
燃料電池・水素
燃料電池評価装置、触媒評価装置・耐久装置
自動車会社には100kw級自動車用燃料電池評価装置を納入しています。
その他、自動車会社、石油会社、ガス会社の研究所、大学等に納入しています。
他社では技術的に対応困難な特殊な燃料電池評価装置や触媒評価装置・耐久装置を多数納入しています。
超小型・高性能燃焼器
エネファームに搭載する改質器用燃焼器として超小型、高性能燃焼器の開発を行っています。
水素ステーション低コスト化
現在、オンサイト型水素ステーション用水素製造装置は、装置のコストを5,000万円以下にする為の開発が進められている。
しかしながら従来の水素製造装置では、装置を構成する機器類の点数の多さから価格目標を達成するためには更なる技術開発が必要と思われます。
当社では2013年度にNEDO(国立研究開発法人新エネルギー・産業技術総合開発機構)【水素利用技術研究開発/燃料電池自動車及び水素ステーション用低コスト機器・システムに関する開発】事業において(オンサイト型水素ステーション用低価格水素製造装置の開発)を採択頂き、【水蒸気改質器】、【CO転化器】、【蒸気発生器】を高度に一体化した複合型改質器を水素製造装置に搭載することで、FCVの普及に貢献する事を目的に水素製造装置を構成する機器点数を従来の2分の1以下に削減した小型で低コストである水素製造装置の開発を行いました。
水素製造装置の目標コスト:5,000万円以下を達成する。(100Nm³/h)
複合型改質器
家庭用燃料電池システム用改質器の開発では、大学と共同で1kw級PEFC用改質器の開発を行い、当時世界最小クラスの複合型改質器を開発致しました。
ISプロセスによる連続水素製造試験設備
2013年度に、(国研)日本原子力研究開発機構大洗研究開発センターに、硫酸やヨウ化水素を用いた化学反応を利用し、熱エネルギーによって水を分解し、水素と酸素 を生成するISプロセスによる連続水素製造試験設備を納入致しました。
ISプロセスの原理
ISプロセスは、ヨウ素(I)と硫黄(S)の化合物を利用した3つの熱化学反応を組み合わせることにより、水を熱分解する化学プロセスです。
高温ガス炉から供給される300~900℃の熱を用いて、硫酸やヨウ化水素の分解することによって水素と酸素を生成致します。
水以外のヨウ素、硫酸等の反応物質が、プロセス内で繰り返し使用される閉サイクル性が大きな特長です。
アンモニア合成試験設備
2017年度に、(国研)産業技術総合研究所
福島再生可能エネルギー研究センター向けに、アンモニア合成用の新触媒の性能確認として、アンモニア合成試験設備を納入しております。
産総研では、再生可能エネルギーを利用して製造した水素(再エネ水素)からのアンモニア(再エネアンモニア)の合成を実現するために、圧力を上げると性能が低下するルテニウム触媒特有の問題を克服し、10
MPa(約100気圧)以下の圧力範囲で高い活性を維持できる新規触媒を作製致しました。
日揮(株)殿が本触媒を用いて開発したプロセスにより、供給量が変動する再エネ水素からのアンモニア製造が可能となり、本触媒を搭載した実証試験装置を福島再生可能エネルギー研究所殿に建設して、本格的に実証試験を開始した。
アンモニアは、水素貯蔵物質として有用で大量に輸送でき、さらに、アンモニア自身が燃焼時に二酸化炭素(CO2)を排出しない燃料としても用いられることからエネルギーキャリアとして期待されております。
([出典](国)産業技術総合研究所)
水素混合ガスの供給利用実証事業
2018年度、2019年度にかけて環境省の再エネ電解水素の製造貯蔵および水素混合ガスの供給利用実証事業を進めています。
LPG改質および水電解装置からの水素を混合し、都市ガス相当の熱量のガスを製造致します。製造したガスは模擬住宅に送り、市販されているガス器具等で燃焼させることができます。
実証事業の概要
風力発電により水素を製造し、都市ガスに類似したガスに混合致します。
同混合ガスをガス配管により隣接地に設置した利用場所へ供給し、市販ガス機器において、水素混合ガスを実際に使用致します。
水素ステーション低コスト化
現在、オンサイト型水素ステーション用水素製造装置は、装置のコストを5,000万円以下にする為の開発が進められております。
しかしながら従来の水素製造装置では、装置を構成する機器類の点数の多さから価格目標を達成するためには更なる技術開発が必要と思われます。
当社では2013年度にNEDO(国立研究開発法人新エネルギー・産業技術総合開発機構)【水素利用技術研究開発/燃料電池自動車及び水素ステーション用低コスト機器・システムに関する開発】事業において(オンサイト型水素ステーション用低価格水素製造装置の開発)を採択頂き、【水蒸気改質器】【CO転化器】【蒸気発生器】を高度に一体化した複合型改質器を水素製造装置に搭載することで、水素製造装置を構成する機器点数を従来の2分の1以下に削減した小型で低コストである水素製造装置を開発して、FCVの普及に貢献する事を目的に開発を行いました。
水素製造装置の目標コスト:5,000万円以下を達成する。(100Nm³/h)
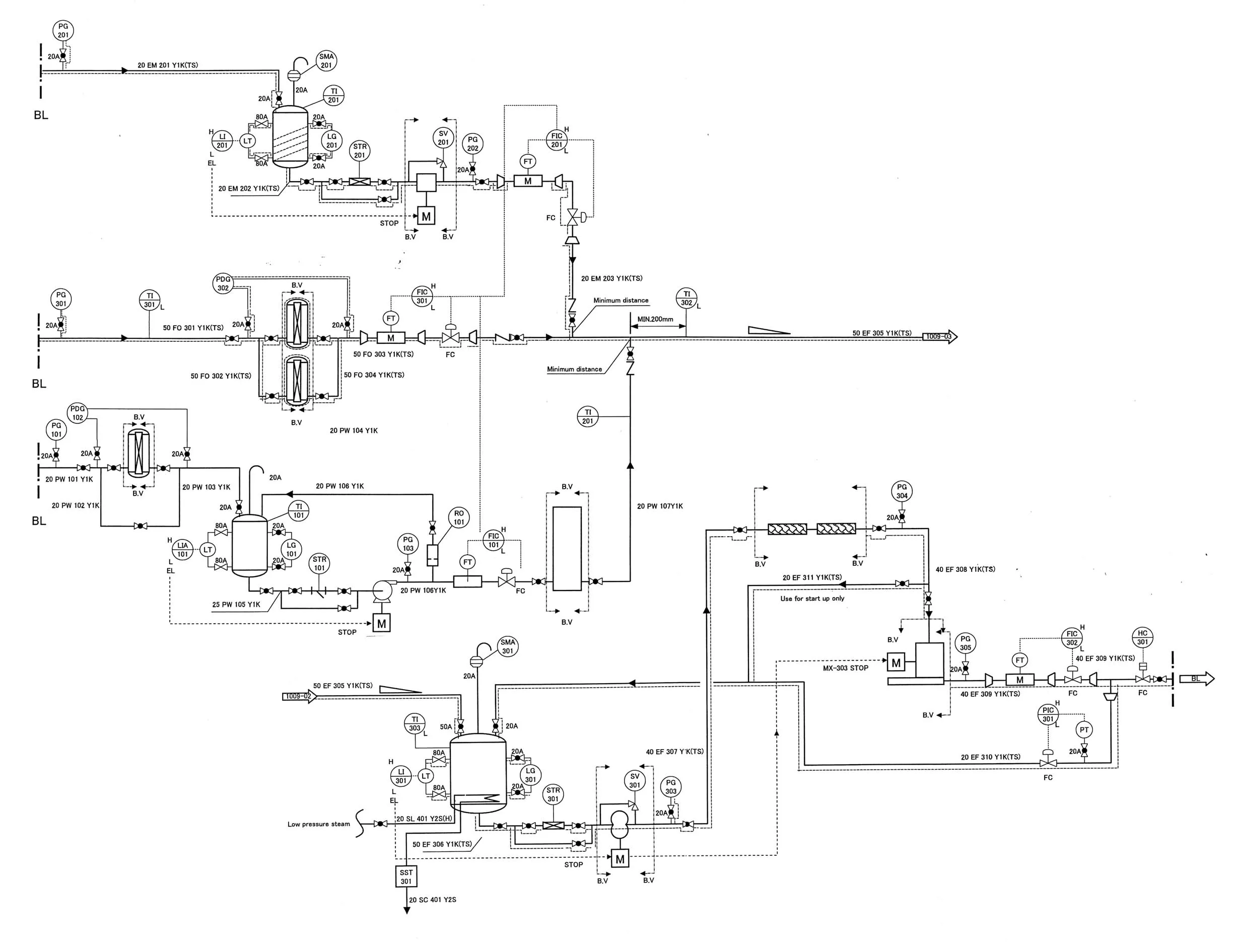
都市ガス改質水素供給設備について
従来型改質器を搭載した水素製造装置システムフロー(参考)
複合型改質器を搭載した水素製造装置システムフロー
複合型改質器のタイプ・構造
- 原料ガスは混合器で水蒸気と混合して低温シフト反応用触媒層(発熱反応)の内側と外側に設けた伝熱粒子層を通過する際、低温シフトの反応熱を吸収しながら加熱されます。
- 原料ガスは混合器で水蒸気と混合して低温シフト反応用触媒層更に加熱された原料ガスは高温シフト反応用触媒層(発熱反応)の内側と外側に設けた予備改質反応用触媒層(吸熱反応)を通過する際、高温シフトの反応熱を吸収して一部改質されます。
- 一部改質された原料ガスは下部の改質反応用触媒層(吸熱反応)で燃焼器からの燃焼熱により本改質されます。
- COを含む改質ガスは高温・低温シフト反応用触媒層を通過することによりCOの濃度を低減して、改質ガス精製装置(PSA)に送られます。
- 改質反応に必要な水蒸気は改質反応用触媒層の外側に設置した蒸気発生器で生成します。
- 燃焼器は複合型改質器の中心に設置し、外装の断熱材は高性能断熱材を採用して改質器の小型化を図ります。
実証試験機
CAE解析ソリューション
当社では長年にわたり原子力分野において培ってきた技術をベースに、CAE(コンピュータによる設計・製造支援)による受託解析やコンサルティングサービスを 提供しております。
お客様が抱えている様々な問題について、ものづくりとCAEという、ハード・ソフトの双方に対する知識と経験を活用し、最適なアプローチ手法のご提案や
解析結果の評価等、幅広い面からのサポートも行っております。
その他、特定の問題解決に対するシステム開発支援についても対応致します。
CAE受託解析サービス
弊社ではエネルギー、土木、建築、機械、自動車、航空宇宙、EDAからコンシューマなどの広範な領域におけるCAE受託解析サービスを行っております。
大規模な構造・熱解析から、流体解析、流体構造連成(FSI)を考慮したマルチフィジックス分野へ展開など、広範囲に及びます。
また設計に対する規格基準にも対応可能です。新規の開発業務には、準拠すべき規格基準に基づいた構造の妥当性評価が必要となりますが、弊社ではJSME、ASMEといった各規格Codeに従った解析・結果評価等を提供致します。
使用実績のあるソフトウェア
弊社では以下のソフトウエアの使用実績がございます。
- プリ/ポストプロセッサー:Femap, HyperMesh
- 解析ソルバー:ANSYS, NX Nastran, ABAQUS, ADINA, LS-DYNA, FLOW-3D, FloEFD
CAEコンサルティングサービス
弊社では経験豊富なCAE解析コンサルタントが、お客様のCAEに関する問題解決のオンサイト支援を提供致します。
※お客様に最適な契約形態や期間は内容により異なります。詳細はお打合せの上、確定致します。
CAEソフトウェアの販売・サポートおよび開発
弊社では以下のソフトウェアの販売・サポートを行っております。
- Femap:CAE 業界トップに位置する有限要素解析用プリ/ポストプロセッサーです。
- NX Nastran:米国のNASAにより開発されたMSC.Nastranをベースとする世界最高水準の汎用ソフトウェアです。
- Femap with NX Nastran:FemapとNX Nastranを統合させた高度な解析機能を有するNX Nastranソルバーがシームレスに連携されております。
- FLOW-3D:米国のFlow Science社により開発された汎用3次元CFDソフトウェアです。
特に自由表面問題を高精度に解くことに定評があります。
最新のF.SAI機能により流体-構造連成解析を行うことができます。
CAEによる解析事例
タービンブレード固有振動解析
弾塑性解析
軸対称応力集中解析
配管耐震解析
実績・事例
| アンモニア合成プラント製造 |
再生可能エネルギーを利用して再エネ水素から新触媒により従来よりも低温・低圧でアンモニアを合成可能な実証試験装置を納入致しました。 [アンモニア合成プラント全景]出典先:(国立研究開発法人)産業技術総合研究所 低温・低圧でのアンモニアを合成する触媒の開発 |
|---|---|
| 水素エネルギーエンジニアリング |
オンサイト型の水素ステーションでは水素を輸送することなくステーション内で水素を製造しますが、このプロジェクトでは水素製造装置をコンパクト化(複合型改質器)することによりコスト低減を実現致しました。
[複合型改質器を搭載した水素製造装置の全景]
出典先:(国立研究開発法人)新エネルギー・産業技術総合開発機構(NEDO) オンサイト型水素ステーション用低価格水素製造装置の開発
[複合型改質器の全景]
出典先:(国立研究開発法人)新エネルギー・産業技術総合開発機構(NEDO) オンサイト型水素ステーション用低価格水素製造装置の開発
[制御盤とガスクロマトフラフィー]
出典先:(国立研究開発法人)新エネルギー・産業技術総合開発機構(NEDO) オンサイト型水素ステーション用低価格水素製造装置の開発 |
| 機械・化学プラント設計製造 |
硫酸やヨウ化水素を用いた化学反応を利用し、水素と酸素を生成するISプロセスによる連続水素製造試験設備を納入致しました。 出典先:(国立研究開発法人)日本原子力研究開発機構 |
プレスリリース
| 水素混合ガスを家庭用ガス機器の燃料に 能代で実証事業 (2019.06.11) |
秋田県能代市の風力発電会社「風の松原自然エネルギー」の敷地内に設備されたプラントで、水素の利用拡大に向けた実証事業がスタート致しました。
|
|---|---|
| 特集 大日機械工業 「原子力発電所を知りつくした設計製造」解析にも自信(「原子力産業新聞」) (2015.06.29) |
このたび原産協会の新会員となった大日機械工業は、原子力発電所関連の設計製造経験を活かし、3月に紹介したキュリオン社などとともに福島第一原子力発電所事故対応に大きな役割を果たしてきた。創立50周年を迎える2015年、長年培ってきた原子力分野での設計製作とともに、新エネルギー開発や解析などの分野にも注力していく。(中村真紀子記者) 「事故直後の福島第一で据え付け点検」小崎徹 取締役
大日機械工業は1965年、当初IHIの産業機械設計を担当していた2名で設立した。東芝の京浜事業所の原子炉内機器向けメンテナンス・取扱機器の設計製造する仕事を受注し始めたことから、福島第一や浜岡などの発電所の定検作業に使うロボット関係の機械を納めるようになった。弊社の小林社長は東芝で原子炉設計などの様々な経験を長年積んできており、自身もIHIで原子力圧力容器を設計していた。弊社で東京電力や中部電力など人的交流が広がっていき、原子力に関わる仕事が増えていった。 「原子力設備を利用して水素エネルギーを生成」直井登貴夫エネルギー技術部部長
大日機械工業が2013年7月に日本原子力研究開発機構(JAEA)から受注採択した「連続水素製造試験設備」が、2014年3月に竣工した。同設備は、高温ガス炉(HTTR)からの約900度の排熱を熱源とし、ヨウ素(I)と硫黄(S)を媒介として水を分解する「ISプロセス」と呼ばれる方法を用いて、ブンゼン反応、ヨウ化水素(HI)分解反応、硫酸分解反応が起こることで、水を供給するだけで連続的に水素と酸素を生成することができる。設備全体の大きさは、幅20m、奥行き5m、高さ8.5mで、HIガスなどが漏れ出ぬよう安全対策をしっかり行い、実験を行っている。 「日本での海外製品許認可取得に多くの経験」上田浩久技術主幹
リーマンショックと震災で製造業への発注が減ったこともあり、大日機械工業では、モノづくりは全ての基本ではあるが、それだけでなくエンジニアリングや解析も行っていくという方向にシフトしてきている。以前に比べて工事前の構造強度や流れの非常に高度な解析内容が求められる一方で、各社メンテナンスの予算は限られてきており、厳しい条件のもとで詳細な計算を行ってから、必要な改造や新設および追加の工事を決定していく。実際の原子力発電所内の構造や機器類がどう動くのか理解している弊社は、顧客のニーズをとらえやすく、解析の結果から軽量にできる部材や省略できる工程などの提案も可能であり、実績を積み重ねている。
|
受賞履歴
| 第24回「中小企業優秀新技術・新製品賞」 |
[優良賞]電磁誘導による検査技術 2012年の4月に開催の「第24回 中小企業優秀新技術・新製品賞」では応募総数441件の中で「優良賞」を受賞しました。
|
|---|
最近の実績
| 装置設計・製作 |
|
|---|---|
| 技術評価・支援 |
|
| 解析・支援 |
|
| 主要取引先 |
|
| 協力会社 |
|
